Anonym
Nicht angemeldet
Benutzerkonto erstellen
Anmelden
MG-Wiki
Suche
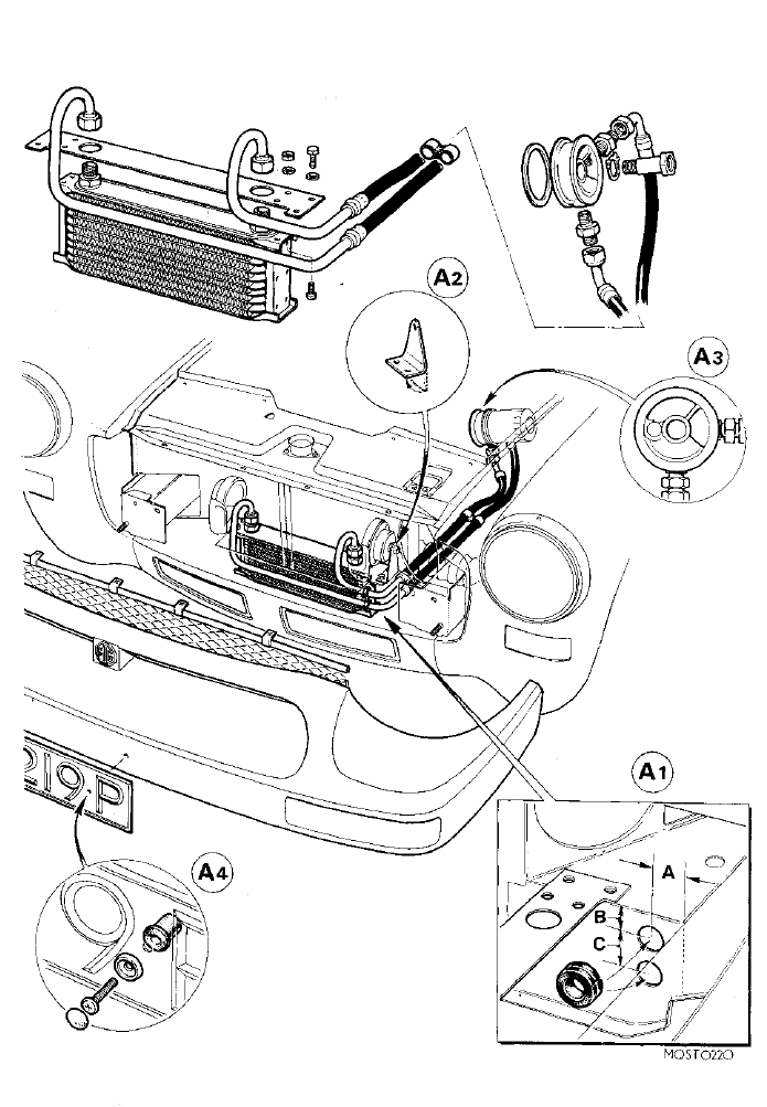
Ölkühlereinbau Midget
Aus MG-Wiki
Namensräume
Seite
Diskussion
Mehr
Mehr
Seitenaktionen
Lesen
Quelltext anzeigen
Versionsgeschichte
zurück zu
Technik
Kategorien
:
Technik
MG Midget
Cookies helfen uns bei der Bereitstellung von MG-Wiki. Durch die Nutzung von MG-Wiki erklärst du dich damit einverstanden, dass wir Cookies speichern.
Okay
Navigation
Navigation
Hauptseite
MG-WIKI:Portal
Letzte Änderungen
Aktuelle Ereignisse
Kategorien
Von A bis Z
Zufällige Seite
Hilfe
Wikiwerkzeuge
Wikiwerkzeuge
Spezialseiten
Seitenwerkzeuge
Seitenwerkzeuge
Benutzerseitenwerkzeuge
Mehr
Links auf diese Seite
Änderungen an verlinkten Seiten
Druckversion
Permanenter Link
Seiteninformationen
Seitenlogbücher
Kategorien
Kategorien
Technik
MG Midget